S64DB-12-135
  • S64DB-12-135 S64DB-12-135

S64DB-12-135

Eredua:S64DB-12-135

HCIC S64DB-12-135 zilindro hidraulikoak: Premium, erosle industrial globalentzako aukera pertsonalizagarriak. Fidagarriak, errendimendu egonkorra, fabrika-zuzeneko eskaintzak, eraikuntza, meatzaritza eta nekazaritzako kontrataziorako aproposa.

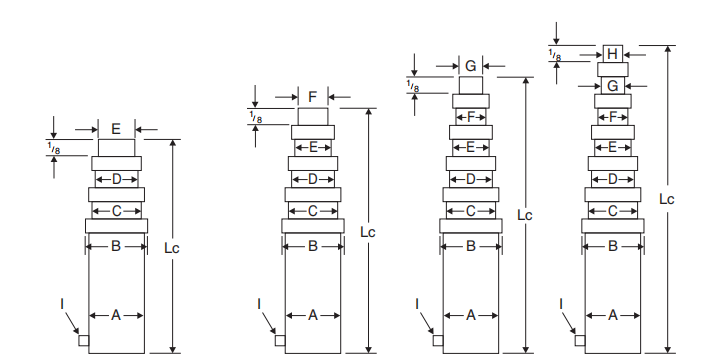
  • Number Stages:

    4
  • Nominal Stage OD:

    6
  • Stroke:

    135
  • Closed:

    47.19
  • Open:

    182.19
  • Pin:

    1.75
  • Width:

    8

Bidali kontsulta

Produktuaren Deskribapena

Ekipamendu industrialeko erosleentzat. Hau HCIC S64DB-12-135 zilindroaren informazioa da. Oinarrizko zehaztapenak, eraikuntza-kalitatea, non erabili, zerbitzu pertsonalizatuak. Guztiak praktikoak. Fluffrik ez.


customizable hydraulic cylinders


parker multi-stage hydraulic cylinders


I. Oinarrizko zehaztapenak: Instalazio-lan gehienetara egokitzen da


HCIC S64DB-12-135 = diseinu estandarra. Makina industrial gehienetarako funtzionatzen du. Potentzia transferentzia, instalazioa - arazorik ez.


• Egitura-neurriak:Kanpoko diametroa 6. 4 etapa. Trazua 135. Luzera itxia 47,19. Luzera hedatua 182,19. Trinkoa. Makina muntatzeko zirrikitu estandarrak egokitzen dira.

• Muntatzeko bateragarritasuna:Pin tamainak 1,75 / 1,5. 8 / 2,69ko zabalera bat dator. Soldadura, bisagra - biak funtzionatzen dute. Makina gehienek zero mod behar dute.

• Oinarrizko errendimendua:Zigilu industrial estandarra. Eten gabe funtzionatzen du ohiko baldintzetan. Presio hidrauliko ohiko estandarrak betetzen ditu.


heavy-duty hydraulic cylinders


II. Eraikitzeko kalitatea: fidagarria, matxurarik gabe


Urrats bakoitza egiaztatzen dugu. Lehengaietatik bidalketara. Ez dago lasterbiderik. Kalitate koherentea besterik ez.


(1). Lehengaiak:Barrila = 45 # altzairuzko tutua. Pistoi-barra = itzalita + kromatua. Higadurari aurre egiten dio, herdoilari aurre egiten dio. Ona da ohiko erabilera industrialerako.

(2). Prozesamendua eta muntaketa:Zilindroaren barruko horma = leuna leuna. Pistoia trabatu gabe mugitzen da. Zigilu industrialak = olio-isurketa gutxiago.

(3). Kalitatearen egiaztapena:Zilindro bakoitzak 3 proba gainditzen ditu. Presio-proba. Iktusaren proba. Zigiluaren proba. Proba datu guztiak gordetzen ditugu. Bakarrik pasa = ontziratu.

dump hydraulic cylinder

III. Aplikazio-eszenatokiak: Era guztietako engranajeetarako funtzionatzen du


S64DB zilindroak industria-eremu askotan egokitzen dira. Makinentzako potentzia-pieza solidoak.


• Eraikuntzako makineria:Hondeamakinak, zamagailuak. Boom eta ontzien unitateetarako egokitzen da. Heldulekuak altxatu, teleskopizatu, biratu. Eguneroko eraikuntza lanetarako egokia.

• Metalurgia eta Meatzaritza:Labearen doikuntzak, birringailuaren jarioaren kontrola. Ingurune gogorretan lan egiten du. Eremuko oinarrizko baldintzak betetzen ditu.

• Nekazaritzako Makineria:Haziak, uzta-biltzaileak. Hazien sakonera doitzen du, goiburuak altxatzen ditu. Nekazaritza eraginkorragoa egiten du.

• Ekipamendu berezia:Doitu parametroak. Aireko igogailuak eta zabor-konpaktatzaileak egokitzen dira. Oinarrizko potentzia euskarria - eginda.


IV.FAQ

HCIC S64DB-12-135 zilindro hidraulikoari buruzko zure galderei erantzun praktikoak, zehaztapenak, bateragarritasuna, kalitatea eta pertsonalizazioa barne.

📏 Oinarrizko zehaztapenak eta bateragarritasuna

G: HCIC S64DB-12-135 zilindroa egokituko al da nire makina industrial estandarra aldaketarik gabe?

A: Erabat. HCIC S64DB-12-135 diseinu estandarreko zilindro hidrauliko bat da, egitura-dimentsio trinkoak (kanpoko diametroa 6, luzera itxia 47,19, luzera hedatua 182,19) eta pin tamaina bateragarriak (1,75 / 1,5) eta zabalera (8 / 2,69). Makina muntatzeko zirrikitu estandar gehienetara egokitzen da, eta soldadura nahiz bisagra muntatzeko lanetan - makina industrial gehienek zero mod behar dute potentzia transferitzeko edo beste zereginetarako instalatzeko.

G: Zeintzuk dira HCIC S64DB-12-135 zilindroaren egitura- eta errendimendu-zehaztapen nagusiak?

A: HCIC S64DB-12-135-k 4 etapa ditu, 135 hazbeteko trazua, 47,19 hazbeteko luzera itxia eta 182,19 hazbeteko luzera hedatua. Zigilu industrial estandarrak erabiltzen ditu, etenik gabe funtzionatzen du ohiko industria-baldintzetan eta ohiko presio hidrauliko estandarrak betetzen ditu. Bere diseinu trinkoari esker, ezin hobea da industria-makineria gehienetan muntatzeko espazio estuetarako.

G: Zein muntatzeko aukera daude HCIC S64DB-12-135 zilindroarentzat?

A: Zilindro honek bi muntaketa industrial ohiko metodo onartzen ditu: soldadura eta bisagra. Pin-tamaina bateragarriak ditu (1,75 eta 1,5) eta makinen zabalera estandarrekin bat dator (8 eta 2,69), beraz, zure ekipoari ondoen egokitzen den metodoa erabiliz instalatu dezakezu; ez da makina gehienentzako muntaketa egokitzaile pertsonalizaturik behar.

G: HCIC S64DB-12-135 zilindroak etengabeko erabilera industriala etengabe kudeatu al dezake?

A: Bai. Zigilu industrial estandarrekin eraikita dago eta ohiko presio hidrauliko estandarrak betetzen ditu, eta horri esker, etenik gabe funtzionatzen du baldintza industrial arruntetan. Barneko zilindro horma leunak pistoia itsatsi gabe mugitzen dela bermatzen du, eta kalitate handiko materialek higadurari aurre egiten diote, ezin hobea eraikuntzako, nekazaritza edo metalurgiako makinetan eguneroko etengabe erabiltzeko.

⚙️ Eraiki kalitatea eta aplikazio eszenatokiak

G: Zein material erabiltzen dira HCIC S64DB-12-135 zilindroa egiteko, eta zenbat iraunkorra da?

A: Zilindro-kanoia 45 # altzairurik gabeko tutuarekin egina dago, eta pistoi-barra itzalita eta kromatua dago - konbinazio honek higadurari eta herdoilari aurre egiten dio, ezin hobea industria-erabilera arrunterako. Barruko horma leuna leuntzen da pistoia itsastea saihesteko, eta zigilu industrialek olio-ihesak murrizten dituzte, eta horrek guztiak errendimendu iraunkor eta fidagarria lortzen du ustekabeko matxurarik gabe.

G: Zer kalitate-probak gainditzen ditu HCIC S64DB-12-135 zilindroak bidali aurretik?

A: HCIC S64DB-12-135 zilindro bakoitzak 3 proba zorrotz gainditzen ditu bidali aurretik: presio proba (estandar hidraulikoak betetzeko), trazu proba (mugimendu leuna bermatzeko) eta zigilu proba (olio-ihesak saihesteko). Proba-datu guztiak gordetzen ditugu etorkizuneko erreferentziarako, eta ez dugu inoiz hirurak gainditzen ez dituen zilindrorik bidaltzen; lasterbiderik ez, kalitate koherentea besterik ez.

G: Zein industria eremu eta makineria da egokia HCIC S64DB-12-135 zilindroa?

A: Zilindro hau polifazetikoa da eta industria-eremu askotan egokitzen da. Eraikuntzako makineria (induskagailuak, kargagailuak, boom/kubeta kargatzeko kargagailuak), metalurgia eta meatzaritzako ekipamenduak (labearen doikuntzak, birringailuaren jarioaren kontrola), nekazaritza makineria (ereitzaileak, hazi-biltzaileak) eta ekipamendu berezietarako (aireko igogailuak, zabor-konpaktagailuak) - mota guztietako engranajeetarako potentzia sendoa da.

G: HCIC S64DB-12-135 zilindroak ondo funtziona dezake meatze- edo metalurgia-ingurune gogorretan?

A: Bai. Pistoi-haxka itzali eta kromatua herdoilari eta higadurari aurre egiten dio, eta 45 # josturarik gabeko altzairuzko upela nahikoa gogorra da meatzaritza eta metalurgia guneetako baldintza gogorrak kudeatzeko. Labearen doikuntzarako eta birringailuaren jarioaren kontrolerako diseinatuta dago, eta eremuko oinarrizko eskakizunak betetzen ditu.

🛡️ Pertsonalizazioa eta Lankidetza Abantailak

G: Pertsonalizatu al dezaket HCIC S64DB-12-135 zilindroa nire ekipamendu behar bereziei erantzuteko?

A: Erabat. HCIC S64DB-12-135 estandarra zure makinarentzat egokia ez bada, soluzio hidrauliko pertsonalizatuak eskaintzen ditugu. Egitura, trazua, muntatze-estiloa eta zigiluak zure behar zehatzen arabera doi ditzakegu; besterik gabe, egin ezazu lan gure talde teknologikoarekin bat-batean zure makinaren ingurunea, potentzia-beharrak eta muntatze-espazioa berresteko, eta zuretzat egokitutako irtenbide bat sortuko dugu.

G: Zein da HCIC S64DB-12-135 zilindroaren bertsio pertsonalizatua lortzeko prozesua?

E: Prozesu pertsonalizatua erraza da: 1) Lehenik eta behin, gure talde teknologikoak 1-1 solasean hitz egiten du zurekin zure beharrak berresteko eta beharrizanen dokumentu argia sortzeko. 2) Ondoren, zilindroaren zehaztapenak doitzen ditugu eta marrazkiak bidaltzen dizkizugu baieztatzeko. 3) Onartzen duzunean, ekoizten dugu (lehen iritsi, lehen zerbitzatu) eta zure nahiago duzun metodoaren bidez bidaltzen dugu (itsasoko/aireko merkantzien garraioa bezero globalentzat). 4) Azkenik, salmenta osteko laguntza eskaintzen dugu instalatzeko eta erabiltzeko.

G: Zein abantaila lortzen ditut HCIC S64DB-12-135 zilindroa zure fabrikatik zuzenean eskatzerakoan?

E: Gure HCIC fabrikatik zuzenean eskatzeak bi abantaila handi ditu: lehena, prezio onura - bitartekaririk ez, kostuak aurreztuko dituzu, eta eskaera handiek deskontu hobeak lortzen dituzte. Bigarrenik, kanpo-merkataritzaren laguntza: hizkuntza anitzeko dokumentuak, aduana-kodeen aholkuak eta aitorpen-paperekin laguntza eskaintzen dugu, mugaz gaindiko erosketak errazak izan daitezen. Gainera, berme estandarra eta doako konponketa/pieza eskaintzen ditugu gizakiak ez diren kalteetarako.




V. Zerbitzu pertsonalizatuak: Egin zilindroak zure erara


Behar bereziak? Prozesu sinple bat dugu. Zuretzako soluzio hidrauliko pertsonalizatuak.


(1). Hitz egin behar da:Gure teknologia-taldeak 1-en-1 hitz egiten du. Egiaztatu zure makinaren ingurunea, energia beharrak, muntatzeko espazioa. Eman behar argiak dok.

(2). Diseinu fasea:Egokitu egitura, trazua, muntaia, zigiluak. Zure beharretan oinarrituta. Bidali marrazkiak baieztatzeko.

(3). Ekoizpena eta entrega:Eskaerak pertsonalizatuak = lehen etorri, lehen zerbitzatu. Ohiko eredu pertsonalizatuak = epe estandarra. Itsasoko/aireko salgaiak mundu mailako bezeroentzat.

(4). Salmenta osteko laguntza:Berme estandarra. Gizakiak ez diren kalteak = doako konponketa/piezak. Teknologia telefonoa = instalatzeko/erabiltzeko galderei erantzuten die edonoiz.


double-acting telescopic hydraulic cylinders

VI. Lankidetzaren abantailak: Global Deals errazak


HCIC = zilindro hidraulikoen fabrika profesionala. Oso ona da bezero globalentzat lan egiteko.


• Prezio onura:Fabrika zuzena. Bitartekaririk ez. Aurreztu kostuak. Multzoko eskaerak = deskontu hobeak.

• Kanpo merkataritzaren laguntza:Hizkuntza anitzeko dokumentuak. Aduana-kodeen aholkuak. Laguntza aitorpen-paperekin. Mugaz gaindiko erosketa = leuna.


VII. Jarri gurekin harremanetan:

HCIC fabrikatzaile hidrauliko profesionala da, batez ere sistema hidraulikoen diseinuan, fabrikazioan, instalazioan, eraldaketan, martxan jarri eta osagai hidraulikoen markaren salmentan eta zerbitzu teknikoetan diharduena. Espero dugu gure produktuak zure kostua aurrezten eta zure kalitatea hobetzen lagun dezakeela.Xehetasun gehiago lortzeko, bidali mezu elektronikoa "davidsong@mail.huachen.cc" edo Google bilaketan "HCIC hydraulic"


Hot Tags: S64DB-12-135, Fabrikatzaileak, Hornitzaileak, Handizkakoa, Pertsonalizatua, Stocka, Uko Kamioia, Txina, Elurrezko Plow
X
Cookieak erabiltzen ditugu nabigazio esperientzia hobea eskaintzeko, guneko trafikoa aztertzeko eta edukia pertsonalizatzeko. Gune hau erabiltzean, gure cookieen erabilera onartzen duzu. Pribatutasun politika
Baztertu Onartu